
产品名称:板式链条生产厂家
隶属行业:专用设备企业大黄页
隶属地区:浙江企业 - 杭州市
供求信息
板式链条生产厂家|杭州传动链条厂家|杭州传动链厂家|摩托车传动系统杭州厂家|摩托车传动链条杭州厂家|精密滚式链条杭州厂家|起重链杭州厂家直销|传动链|摩托车专用链条杭州厂家|无级变速链杭州厂家|O型密封圈链条杭州厂家
产品分类
产品推荐
联系方式
隶属行业:
专用设备企业大黄页
隶属省市:
浙江企业 - 杭州市
法人代表:
汪水林
企业证书:
公司地址:
杭州市萧山区钱农西路80号
联系电话:
0571-82875108/82875104
传 真:
0571-82875194
联 系 人:
汪水林13306505882
邮政编码:
主营产品:
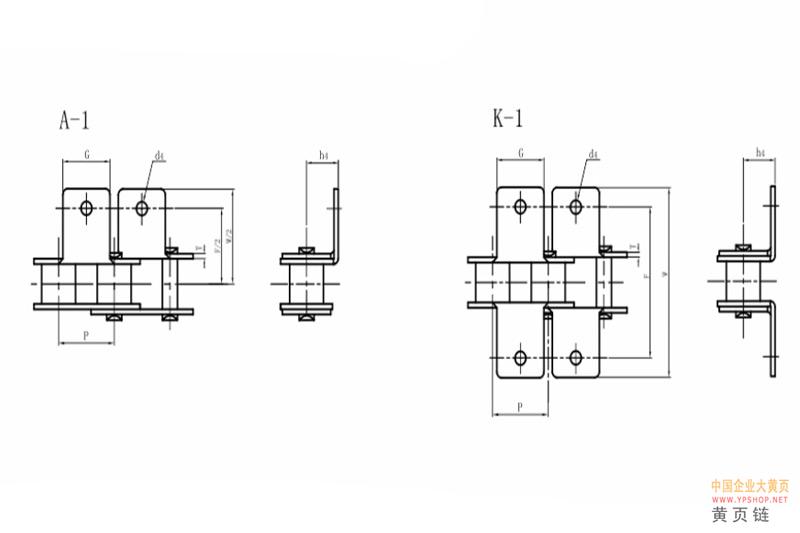
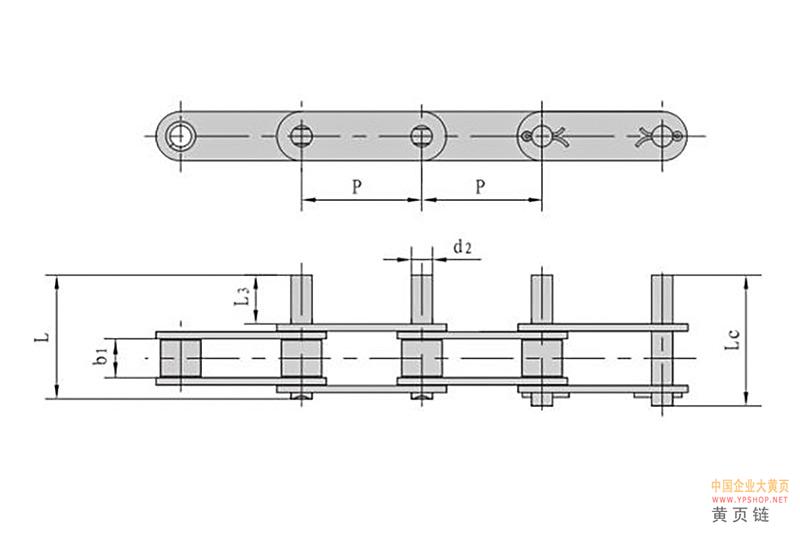
机械链轮,高强度农机链,门窗链条,不锈钢链条,摩托车链条,摩托车专用链条,输送用传动链条,板式链条,无声齿形链条,无级变速链条,油封链条,滚子链条
在线订购
产品分类
•
•
•
•
•
•
•
•
•
•
•












