
产品名称:YTO型臭氧发生器|新天地环保工程装备技术
产品型号:
产品产地:江苏企业 - 泰州市
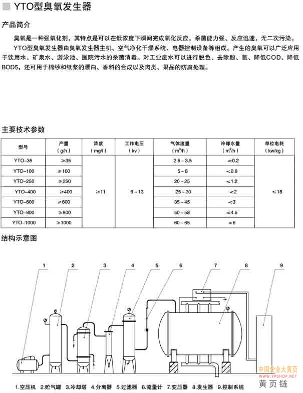
YTO型臭氧发生器国家环保产业协会水污染治理委员会下属的一家高新技术企业,国家环保产业重点骨干企业,总资产6.2亿元,由国家环保产业装备技术中心、环保产业协会新技术研发中心、环保产业生产中心等组成。公司一直致力于国家的节能减排、提高国产环保设备能效比,坚持自主创新,产学研一体化的创新模式。先后研制了具有自主知识产权的高效复合叶轮倒伞曝气机、潜水搅拌机、推流器、太湖蓝藻处理设备等产品,性能大大优越于国际领先水平,在节能降耗方面做出了突出的贡献,相比国内外同类产品更节能达到30%以上。
产品详情
YTO型臭氧发生器国家环保产业协会水污染治理委员会下属的一家高新技术企业,国家环保产业重点骨干企业,总资产6.2亿元,由国家环保产业装备技术中心、环保产业协会新技术研发中心、环保产业生产中心等组成。公司一直致力于国家的节能减排、提高国产环保设备能效比,坚持自主创新,产学研一体化的创新模式。先后研制了具有自主知识产权的高效复合叶轮倒伞曝气机、潜水搅拌机、推流器、太湖蓝藻处理设备等产品,性能大大优越于国际领先水平,在节能降耗方面做出了突出的贡献,相比国内外同类产品更节能达到30%以上。
产品推荐
联系方式
隶属行业:
专用设备企业大黄页
隶属省市:
江苏企业 - 泰州市
法人代表:
企业证书:
公司地址:
江苏省泰州市凤凰西路168号
联系电话:
052386196107
传 真:
052386196108
联 系 人:
曹福日15195216949
邮政编码:
225000
主营产品:
在线订购











